



Sanitární modul Geberit Monolith (ref. 131.021.SI.5) je sofistikované, funkční a estetické řešení pro instalaci závěsných toalet. Navržen s čelním sklem vysoké kvality a bočními stranami z kartáčovaného hliníku, kombinuje moderní design s pokročilou technologií, aby se přizpůsobil jak novostavbám, tak rekonstrukcím.
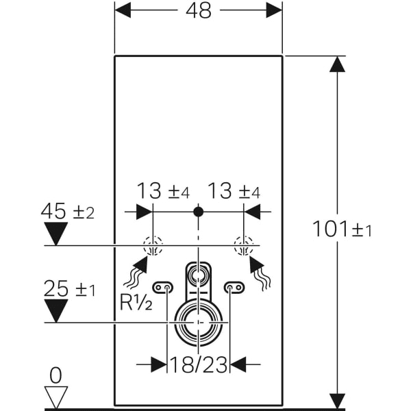
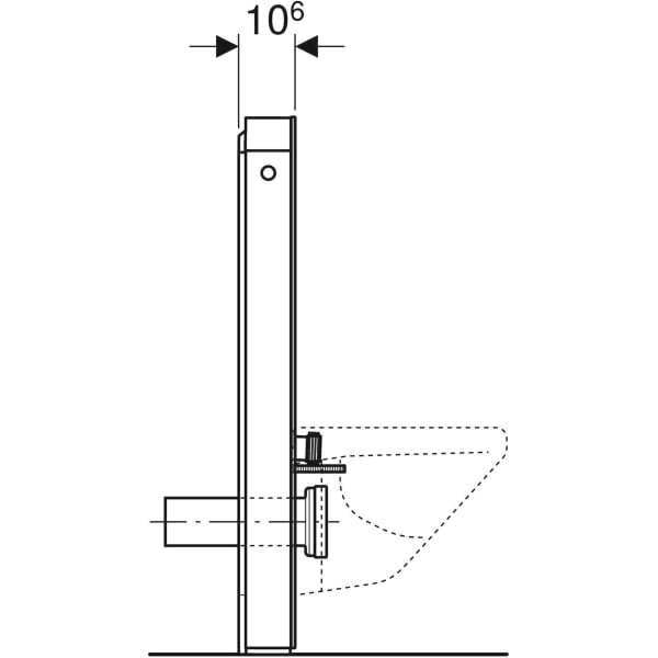
Tento model o výšce 101 cm je určen pro použití se závěsnými toaletami, včetně modelů s funkcí bidetu jako Geberit AquaClean. Je ideální pro instalace, kde je odpad ve zdi ve výšce nad 23 cm, což umožňuje nahrazení toalet s nízkou viditelnou nádržkou bez nutnosti rozsáhlých stavebních prací.
Systém je samonosný a lze jej montovat přímo na dokončenou podlahu a před lehké stěny nebo zděné zdi. Jeho výška upevnění keramické toalety je nastavitelná (35 ± 1 cm) a konstrukce umožňuje kompenzaci tolerancí až 7 cm, což usnadňuje integraci do prostor s nestandardními rozměry.
Integrovaná nádržka je zcela izolovaná proti kondenzaci, což zaručuje tichý provoz bez kapání. Obsahuje systém dvojitého splachování 6/3 litry, s možností nastavení celkového objemu na 4,5 nebo 6 litrů, při zachování částečného splachování 3 litry. Tyto vlastnosti umožňují odpovědné využívání vody, v souladu s aktuálními normami udržitelnosti.
Modul obsahuje spodní připojení přívodu, ale také umožňuje boční vstup pomocí volitelných příslušenství. Díky svému funkčnímu designu jsou všechna připojení, včetně komponent přívodu a odtoku, skryta, což nabízí čistý a elegantní vzhled.
Sanitární modul Geberit Monolith kombinuje současný design, snadnou instalaci a pokročilou funkčnost. Jeho estetika s čelním sklem a vysokou úrovní výkonu z něj činí ideální volbu pro ty, kteří chtějí renovovat svou koupelnu se stylem, technologií a efektivitou.